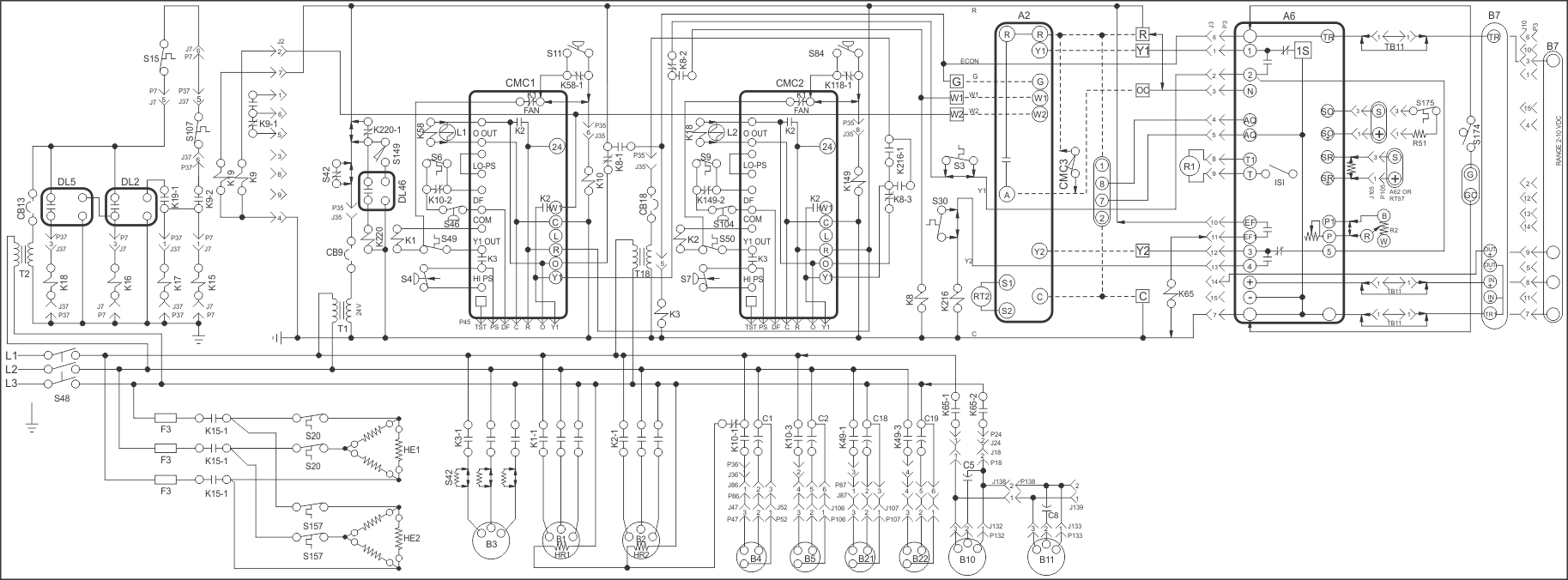
| Key |
| A2 |
Thermostat |
| A6 |
Control-Solid State Enthalpy |
| A7 |
Sensor- Solid State Enthalpy |
| A62 |
Sensor-Enthalpy, Indoor |
| B1 |
Compressor 1 |
| B2 |
Compressor 2 |
| B3 |
Motor, Blower |
| B4 |
Motor, Outdoor Fan 1 |
| B5 |
Motor, Outdoor Fan 2 |
| B7 |
Motor-Damper, Economizer |
| B10 |
Motor, Exhaust Fan 1 |
| B11 |
Motor, Exhaust Fan 2 |
| B21 |
Motor, Outdoor Fan 3 |
| B22 |
Motor, Outdoor Fan 4 |
| B43 |
Motor-Exhaust Damper |
| C1 |
Capacitor, Outdoor Fan 1 |
| C2 |
Capacitor, Outdoor Fan 2 |
| C6 |
Capacitor, Exhaust Fan 1 |
| C8 |
Capacitor, Exhaust Fan 2 |
| C18 |
Capacitor, Outdoor Fan 3 |
| C19 |
Capacitor, Outdoor Fan 4 |
| CB8 |
Circuit Breaker Transformer 1 |
| CB13 |
Circuit Breaker Transformer 2 |
| CB18 |
Circuit Breaker Transformer 18 |
| CMC1 |
Timer, Defrost, Compressor 1 |
| CMC2 |
Timer, Defrost, Compressor 2 |
| DL2 |
Delay, Electric Heat |
| DL5 |
Delay, Electric Heat |
| DL46 |
Delay, Overflow Switch |
| F3 |
Fuse, Electric Heat |
| HE1 |
Element, Electric Heat 1 |
| HE2 |
Element, Electric Heat 2 |
| HR1 |
Heater Compressor 1 |
| HR2 |
Heater Compressor 2 |
| J2 |
Jack, Heat |
| J7 |
Jack, Electric Heat Subbase Kit |
| J10 |
Jack-Economizer |
| J18 |
Jack, Exhaust Fan |
| J11 |
Jack, GFI, Receptacle |
| J24 |
Jack, Exhaust Fan |
| J35 |
Jack, Test Heat |
| J36 |
Jack, Test Cool |
| J37 |
Jack, Electric Heat Limit |
| J47 |
Jack, Outdoor Fan 1 |
| J52 |
Jack, Outdoor Fan 2 |
| J86 |
Jack, Outdoor Fan 1 |
| J87 |
Jack, Outdoor Fan 2 |
| J104 |
Jack-Sensor, Outdoor Enthalpy |
| J105 |
Jack-Sensor, Return Air Enthalpy |
| J106 |
Jack, Outdoor Fan 3 |
| J107 |
Jack, Outdoor Fan 4 |
| J132 |
Jack, Blower, Exhaust Fan Motor 1 |
| J133 |
Jack, Blower, Exhaust Fan Motor 2 |
| J138 |
Jack, Exhaust Fan 2 |
| J139 |
Jack, Exhaust Fan 3 |
| K1-1 |
Contactor, Compressor 1 |
| K2-1 |
Contactor, Compressor 2 |
| K3-1 |
Contactor, Blower |
| K8,-1,2,3 |
Relay, Transfer 1 |
| K9,-1,2 |
Relay, Heat |
| K10,-1,2,3 |
Relay, Outdoor Fan 1 |
| K15,-1 |
Contactor, Electric Heat 1 |
| K58,-1 |
Relay, Low Ambient Kit Comp 1 |
| K65,-1,2 |
Relay, Exhaust Fan |
| K118,-1,2 |
Relay, Low Ambient Kit Comp 2 |
| K149,-1,2,3 |
Relay, Outdoor Fan 3 |
| K216,-1 |
Relay, Cool 2 |
| K220,-1 |
Relay, Overflow Switch |
| L1 |
Valve, Reversing 1 |
| L2 |
Valve, Reversing 2 |
| MAS |
Mixed Air Sensor |
| P18 |
Plug, Exhaust Fan |
| P2 |
Plug, Heat |
| P3 |
Plug-Less Economizer |
| P4 |
Plug-Economizer |
| P7 |
Plug, Electric Heat Subbase Kit |
| P24 |
Plug, Exhaust Fan |
| P35 |
Plug, Test Heat |
| P36 |
Plug, Test Cool |
| P37 |
Plug, Electric Heat Limit |
| P47 |
Plug, Outdoor Fan 1 |
| P52 |
Plug, Outdoor Fan 2 |
| P45 |
Plug, Input |
| P86 |
Plug, Outdoor Fan 1 |
| P87 |
Plug, Outdoor Fan 2 |
| P104 |
Plug-Sensor, Outdoor Enthalpy |
| P105 |
Plug-Sensor, Return Air Enthalpy |
| P106 |
Plug, Outdoor Fan 3 |
| P107 |
Plug, Outdoor Fan 4 |
| P132 |
Plug, Exhaust Fan Motor 1 |
| P133 |
Plug, Exhaust Fan Motor 2 |
| P138 |
Plug, Exhaust Fan 2 |
| R2 |
Pot-minimum Position |
| R51 |
Resistor-Sensible 820 Ohm |
| R126 |
Sensor-Outdoor Air Temp |
| R127 |
Sensor-Indoor Air Temp |
| S3 |
Switch, Limit Low Compressor 1 |
| S4 |
Switch, Limit Hi Press Compressor 1 |
| S6 |
Switch, Defrost Compressor 1 |
| S7 |
Switch, Limit Hi Press Compressor 2 |
| S9 |
Switch, Defrost Compressor 2 |
| S11 |
Switch, Low Pressure, Low Ambient Kit |
| S15 |
Switch, Limit Primary Electric Heat |
| S20 |
Switch, Limit Secondary Electric Heat |
| S30 |
Switch, Limit Low Compressor 2 |
| S42 |
Switch, Overload Relay Blower Motor |
| S46 |
Switch, Defrost Termination 1 |
| S48 |
Switch, Disconnect |
| S49 |
Switch, Freezestat 1 |
| S50 |
Switch, Freezestat 2 |
| S84 |
Switch, Low Press, Low Ambient Comp 2 |
| S104 |
Switch, Defrost Termination 2 |
| S107 |
Switch, Limit Primary Electric Heat |
| S149 |
Switch, Overflow |
| S157 |
Switch, Limit Secondary Electric Heat |
| S174 |
Switch-Exhaust Damper |
| S175 |
Thermostat-Sensible Temp 55-70F |
| T1 |
Transformer, Control |
| T2 |
Transformer Electric Heat |
| T18 |
Transformer, Contactor |
| TB2 |
Terminal Strip, Unit |
| TB3 |
Terminal Strip, Electric Heat |
| TB11 |
Terminal Strip-Class II Volt |